电子产业
数字化服务平台

扫码下载
手机洽洽

  • 微信小程序

    让找料更便捷

  • 华强电子网APP

    随时找料

    即刻洽谈

    点击下载PC版
  • 华强电子网公众号

    电子元器件

    采购信息平台

  • 华强电子网移动端

    生意随身带

    随时随地找货

  • 华强商城公众号

    一站式电子元器件

    采购平台

  • 芯八哥公众号

    半导体行业观察第一站

揭秘DSP电机控制串行通信系统电路设计_电动机控制电路图讲解

2019/3/21 19:40:35;
来源:唯样商城 作者:华仔 浏览:277

标签:

摘要: 电路图简介: 分析了数字信号处理芯片TMS320LF2407A DSP的串行外设接口SPI,及串行通信接口SCI模块。在电机控制实验系统中,给出了由这2个模块构成的串行通信应用实例。重点讲述了相关的串行通信接口电路硬件设计高。

  在电机控制系统中,客户端要通过上位机来设置电机的运行参数,而被控电机也要将各种运行状态信息实时地传给远程控制端客户,串行通信由于连线少,成本低,简单可靠,被广泛应用。本文利用SCI串行通讯接口实现DSP控制器与PC机的通信连接;电机控制系统中还必须有数码显示驱动电路,以便于现场控制人员及时了解电机当前的转速等信息,因此利用SPI同步串行口来实现DSP与外围设备之间的通信就很有必要。分析了数字信号处理芯片TMS320LF2407A DSP的串行外设接口SPI,及串行通信接口SCI模块。在电机控制实验系统中,给出了由这2个模块构成的串行通信应用实例。重点讲述了相关的串行通信接口电路硬件设计高。

  串行通信接口模块的硬件电路设计

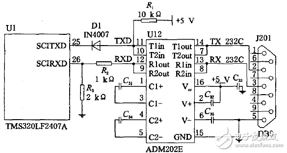
  电机的运行参数,如转向、转速及位置信号等由主机制定,通过RS232串行通信传输到DSP,DSP再将运行结果返回给主机的电机控制系统中,以实现远程客户端和被控电机之间的通讯。由于上位机(PC)一般都带有RS232接口,所以我们利用上位机的串行口与下位机DSP的异步串行口SCI来进行RS232C通信和数据交换,实现计算机对工业现场被控对象的检测和控制。TMS32OLF24O7A的串行通信接口电路如图2所示。该电路采用了符合RS232标准的驱动芯片ADM2O2E进行串行通讯。ADM2O2E芯片功耗低,集成度高,+5 V供电,具有2个接收和发送通道。由于TMS320LF2407A采用+3.3 V供电,所以在ADM202E与TMS320LF2407A 之间必须加电平转换电路,本文采用了一个二极管(1N4oo7)和3个电阻进行电平转换。

电路图讲解

  图2 串行通信接口电路


  该实验系统利用DSP的SCI串行通信接口电路实现了DSP控制器与上位机的通讯连接,整个接口电路简单,可靠性高。DSP控制器通过SCI串行通信接口电路,将控制系统的实时运行状态上传给上位机供存储和分析,而上位机则通过SCI串行通信接口电路将控制指令(例如起、停、正转、反转、运行速度等)发送给DSP控制器,以实现对电机控制系统的实时控制。本试验系统的串行通信速率可变,波特率默认值为l 9200,从l200,2400,4800,9 600,到l9 200可调。

电路图讲解

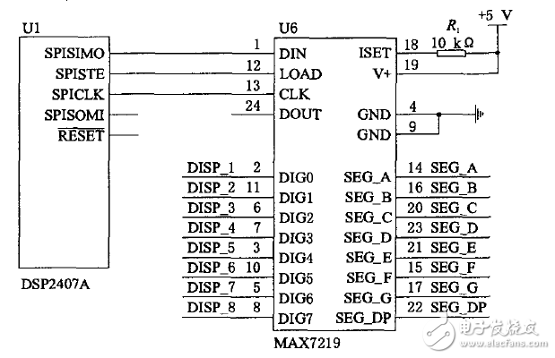
  SPI与MAX7219的硬件连接电路

  MAX721 9的典型应用电路如图所示,它是由单片MAX7219驱动的8位LED显示器。通过寄存器设置让DSP 工作在主操作模式下,MAX7219作为从片。2407A DSP 的SPISIMO,SPISTE,SPICLK分别与MAX72l9的DIN,CLK,LOAD端相连,MAX7219的DISP_l~DISP一8接8个数码管的位选端,SEG—A~SEG—GP接7段显示器段驱动端及小数点驱动端。SPI通过SPICLK脚向整个通信网提供串行时钟,控制着系统的数据传输;通过SPISTE脚给MAX7219提供片选信号,低电平有效;通过SPISIMO 脚把数据输出到MAX7219的DIN脚上。电阻R 可改变LED的亮度,每段的驱动峰值电流约为R 中电流的100倍。R 的取值不能小于10 kl2。实际使用时,可先用一只可调电阻调节亮度,达要求后用一只相同阻值的固定电阻代替即可。在这里应注意,MAX7219的段电流正常工作范围为l0b40 mA,当段电流超过40 mA时,必须外加扩流电路。


  这款趣味红外枪电路,发射电路装在玩具手枪或冲锋枪内,接收电路装在靶上。其电路简单、构思新颖、制作方便,可用于娱乐场所作打靶游戏或家庭电平玩具。根据现代枪械的特点和射击游戏的具体要求,对红外枪进行精心设计和试验,与已往的红外枪游戏电路相比,具有以下优点:(1)仿真性好,射击逼真。扣动板机时会产生“霹”的一声击发声,同时枪口IA光。若射中靶心,靶会产生数秒钟的闪光和音乐报靶声;(2)限定子弹的发数。通过发射电路微型DIP开关的断、合,限制允许击发射击次数;(3)抗干扰性能好。

  采用频率译码技术,只允许接收发射电路发射的特定频率信号,其他的如日光、灯光等一律拒收。

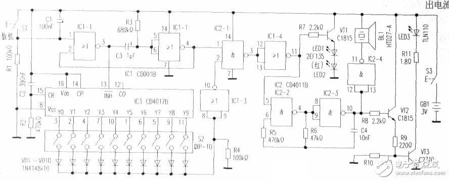
  1.发射电路

  电路如图1所示。IC1-1、IC1-2组成正沿触发单稳态定时器,定时时间约0.5s(t=0.7xR3xC3)。当扣动板机S1时,IC1-1①脚输入高电平,③脚输出低电平,由于电容器C3两端的电压不能突变,所以电源经R3给C3充电。C3刚充电时IC1-2⑤、⑥脚为低电平,④脚输出为高电平,为0.5s后充电结束,ICl-2④脚翻转回低电平,完成一次击发控制过程。

电路图讲解

图1 发射电路

  单稳态定时器的作用有二:一是在扣动板机S1时,从IC1-1③脚取出负脉冲作IC3的允许射击计数信号:二是从ICl-2④脚取出正脉冲加至与非门IC2-1①脚。允许射击次数由微型集成开关S2(DIP-10)设定,例如每个射击者只有3发子弹,可将IC3的YO~Y3外接开关断开,Y4~Y9外接开关闭合。此时闭合电源开关S3自动复位电路R2、C2为IC3@脚加一清零脉冲,使Y0=1,(高电平),Y1~Y9=0(低电平)。在第1次扣动板机S1进行射击时,IC3(13)脚被负脉冲触发计数,其Y1=1,曲于外置开关是断开的,对外电路无作用。在R4下拉和IC1-3反相后,IC2-1⑦脚为1,而IC2-1⑦脚在0.5s暂稳态定时时间内也为1,根据与非门逻辑关系(Y=A-B),其③脚输出0,IC1-4(11)脚为1,由IC2-2、IC2-3组成的振荡器被选通,产生约970Hz(f=1/2.2xR6xC4)振荡信号,经VT2、VT3驱动红外发射管LED3向外发射射击信号;并经IC2—4反相驱动压电蜂鸣器BL1(HTD27-A)发出“噼”的一声;与此同时VT1导通,安装在枪口附近的红色发光管LED1、LED2闪亮一下。

  同理,由于IC3的Y2、Y3外接开关也是断开的,因此在第2、3次扣动板机SI时,也会产生象第1次扣动板机时的射击效果。3枪过后,第4次扣动板机S1时,IC3的Y4=1,由于其外接开关是闭合的,所以IC1-3⑧、⑨脚经导通的二极管VD5获高电平,IC2-1②脚为0,虽然在0.5s定时时间内IC2—1①脚为1,但其③输出1,IC1-4(11)脚为0,LED1、LED2、LED3、BL1均不丁作,即此次射击无效。同理,由于IC3的Y4—y9外接开关也是闭合的,所以此后扣动板机射击仍无效。

  2.接收电路

  接收电路安装在靶上,如图2所示。

电路图讲解

图 2 接收电路

  IC4是译码器LM567,内含正交相位检波器、锁相环、放大器等。C5为输出滤波电容,C7为低通滤波电容.R13为输出上拉负载电阻,RP、C8确定接收译码频率(f=1/1.1xRPxC8)。红外接收管VT4接收到的光射击信号转换成电信号( 970Hz),输入到C9、IC5②脚。IC5为双板型单时基电路,接成单稳态触发器,由于其③脚输出电流很大(可达200mA),故可直接为频闪发光管LED4~LED6和音乐三极管IC6(VT66A)供电。

  若光枪发射的信号频率与RP、C8设置的接收译码频率相符时,IC4⑧脚跳变为低电平,IC5②脚被触发进入暂稳态,③脚输出商电平使LED4-LED6频闪发光,表示中靶。同时IC6输出音乐信号经VT5驱动扬声器(8Ω/0.5W)BL2发出响亮的音乐报靶声。声、光报靶时间由IC5暂稳态时间(t=1.1xR14xC10)决定。

  3.安装与调试

  发射和接收电路印刷板设计较简单,尺寸可按实际配用的玩具枪和靶决定。全部元件安装完毕并检查无误后.便可进行调试。接通电源,将红外枪对准靶心扣动板机,并调整RP使IC4⑧脚输出低电平。然后不断拉远射击距离,微调RP使射程最远即可,一般可达5m以上。

型号 厂商 价格
EPCOS 爱普科斯 /
STM32F103RCT6 ST ¥461.23
STM32F103C8T6 ST ¥84
STM32F103VET6 ST ¥426.57
STM32F103RET6 ST ¥780.82
STM8S003F3P6 ST ¥10.62
STM32F103VCT6 ST ¥275.84
STM32F103CBT6 ST ¥130.66
STM32F030C8T6 ST ¥18.11
N76E003AT20 NUVOTON ¥9.67