电子产业
数字化服务平台

扫码下载
手机洽洽

  • 微信小程序

    让找料更便捷

  • 华强电子网APP

    随时找料

    即刻洽谈

    点击下载PC版
  • 华强电子网公众号

    电子元器件

    采购信息平台

  • 华强电子网移动端

    生意随身带

    随时随地找货

  • 华强商城公众号

    一站式电子元器件

    采购平台

  • 芯八哥公众号

    半导体行业观察第一站

揭秘STC12C控制智能家电防盗系统应用电路_报警电路图讲解

2019/3/21 19:40:36;
来源:唯样商城 作者:华仔 浏览:350

标签:

摘要: 电路图简介: 设计采用增强型高速单片机STC12LE5A60S2为控制器、SIM300作为无线GPRS通信模块来实现系统的远程控制,各防盗模块与系统之间采用无线模块来通信。

  随着经济的发展,人们对防盗、防劫、防火安保设备的需求量日益增长,报警系统也从原来的简单化、局部化向智能化、集成化发展。本文设计防盗系统采用STC12C系列高速1T单片机作为整个系统的控制核心,负责对家居内的各个智能防盗模块进行控制管理,若出现异常物体或者人员侵入,在启动高强度声音报警的同时,还可控制本系统中的GPRS模块SIM300自动拨打设定的电话或者发短信,实现系统的智能远程报警。同时远程控制者还可以通过拨打电话或者短信方式实现对系统的远程控制,对受控区域的电源或者其他装置进行控制管理,从而保护个人的家居财产安全。

  GPRS通信模块

  本设计中GPRS通信模块采用的是一款三频段GSM/GPRS模块SIM300,适合于开发一些GSM/GPRS的无线应用产品,如移动电话,无线MODEM卡,无线POS机,无线抄表系统以及无线数据传输业务,应用范围十分广泛。SIM300模块具有一套标准的AT命令集,包括一般命令、呼叫控制命令、网络服务相关命令、电话本命令、短消息命令、GPRS命令等。本系统中与GPRS模块的通信是通过串口连接,通过处理相应的AT命令,来实现系统与模块的数据通信。

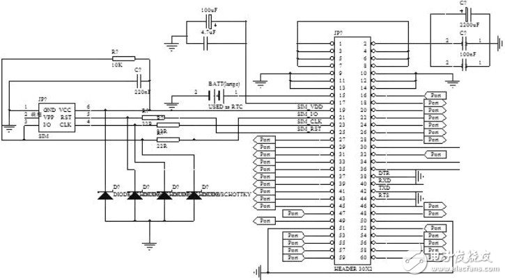
  系统中,设计了SIM300模块的相应接口板电路,该电路板主要包含SIM300必要的外围电路,4.2V电压供给电路 , SIM卡座以及RS232串口电平转换电路等。该模块的功能是通过天线接收手机发过来的信息,并且通过串口与系统主控CPU通信,判断是否有读短信的AT命令,等单片机读短信成功,由系统主控CPU对信息进行分析后,做出相应的处理。同样,当防盗系统发出报警信号时,由主控CPU发出报警,控制SIM300模块实现相应的信息发送。

  电路图讲解

  图2SIM300外围接口部分电路

  电路图讲解

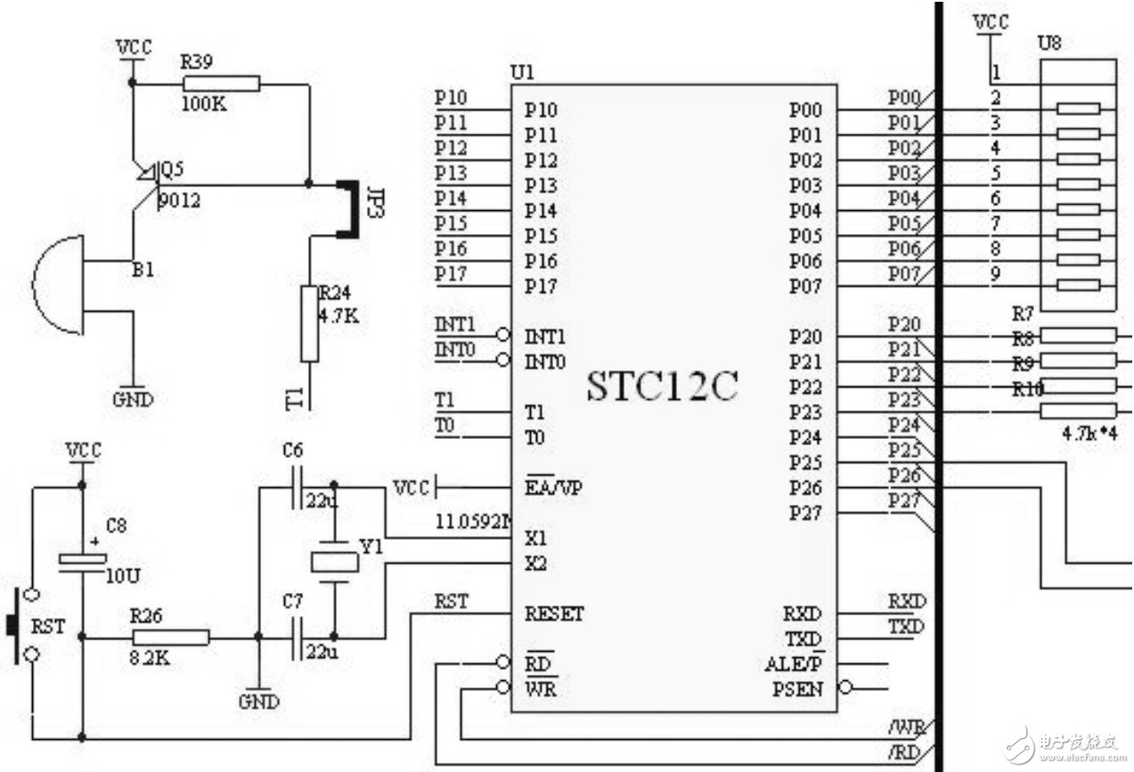
  图3CPU及部分外围电路

  设计采用增强型高速单片机STC12LE5A60S2为控制器、SIM300作为无线GPRS通信模块来实现系统的远程控制,各防盗模块与系统之间采用无线模块来通信。系统可通过拨打指定手机或发送短信等方式,实现对各个模块的状态进行远程监控,异常情况可远程操作该系统实施相应的控制命令。


  四轴飞行器是近来在专业与非专业领域都非常火爆的技术产品。下面这篇文章针对四轴飞行器无位置传感器无刷直流电机的驱动控制,设计开发了三相六臂全桥驱动电路及控制程序。设计采用ATMEGA16单片机作为控制核心,利用反电势过零点检测轮流导通驱动电路的6个MOSFET实现换向;直流无刷电机控制程序完成MOSFET上电自检、电机启动软件控制,PWM电机转速控制以及电路保护功能。该设计电路结构简单,成本低、电机运行稳定可靠,实现了电机连续运转。近年来,四轴飞行器的研究和应用范围逐步扩大,它采用四个无刷直流电机作为其动力来源。无刷直流电机为外转子结构,直接驱动螺旋桨高速旋转。

  无刷主流电机的驱动控制方式主要分为有位置传感器和无位置传感器的控制方式两种。由于在四轴飞行器中的要求无刷直流电机控制器要求体积小、重量轻、高效可靠,因而采用无位置传感器的无刷直流电机。本文采用的是朗宇X2212 kv980无刷直流电机。无刷直流电机驱动控制系统包括驱动电路和系统程序控制两部分。采用功率管的开关特性构成三相全桥驱动电路,之后使用DSP作为主控芯片,借助其强大的运算处理能力,实现电机的启动与控制,但电路结构复杂成本高,缺乏经济性。直流无刷电机的换向采用反电势过零检测法,一旦检测到第三相的反电势过零点就为换向做准备。反电势过零检测采用虚拟中性点的方法,通过检测电机各相的反电势过零点来判断转子位置。而基于电机三相绕组端电压变化规律的电机电流换向理论,可以大大提高系统控制精度。

  本文无刷直流电机的驱动电路采用三相六臂全桥电路,控制电路的管理控制芯片采用ATmega 16单片机实现,以充分发挥其高性能、资源丰富的特点,因而外围电路结构简单。无刷直流电机采用软件启动和PWM速度控制的方式,实现电机的启动和稳定运行,大大提高四轴飞行器无刷直流电机的调速和控制性能。

  三相六臂全桥驱动电路

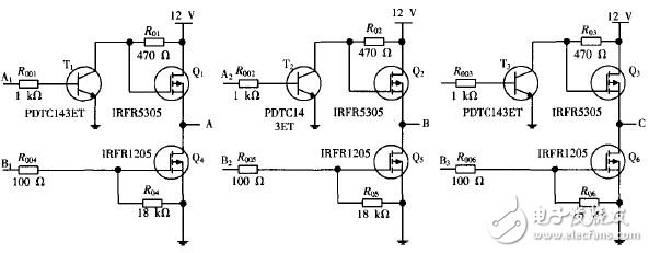
  无刷直流电机驱动控制电路如图1 所示。该电路采用三相六臂全桥驱动方式,采用此方式可以减少电流波动和转矩脉动,使得电机输出较大的转矩。在电机驱动部分使用6个功率场效应管控制输出电压,四轴飞行器中的直流无刷电机驱动电路电源电压为12 V.驱动电路中,Q1~Q3采用IR公司的IRFR5305(P沟道),Q4~Q6为IRFR1205(N 沟道)。该场效应管内藏续流二极管,为场效应管关断时提供电流通路,以避免管子的反向击穿,其典型特性参数见表1。T1~T3 采用PDTC143ET 为场效应管提供驱动信号。

  电路图讲解

  表1 MOSFET管参数

  由图1 可知,A1~A3 提供三相全桥上桥臂栅极驱动信号,并与ATMEGA16单片机的硬件PWM驱动信号相接,通过改变PWM信号的占空比来实现电机转速控制;B1~B3提供下桥臂栅极驱动信号,由单片机的I/O口直接提供,具有导通与截止两种状态。

  电路图讲解

  图1 无刷直流电机三相六臂全桥驱动电路

  无刷直流电机驱动控制采用三相六状态控制策略,功率管具有六种触发状态,每次只有两个管子导通,每60°电角度换向一次,若某一时刻AB 相导通时,C 相截至,无电流输出。单片机根据检测到的电机转子位置,利用MOSFET的开关特性,实现电机的通电控制,例如,当Q1、Q5 打开时,AB 相导通,此时电流流向为电源正极→Q1→绕组A→绕组B→Q5→电源负极。类似的,当MOSFET 打开顺序分别为Q1Q5,Q1Q6,Q2Q6,Q2Q4,Q3Q4,Q3Q5时,只要在合适的时机进行准确换向,就可实现无刷直流电机的连续运转。

  反电势过零检测

  无刷直流电机能够正常连续运转,就要对转子位置进行检测,从而实现准确换向。电机转子位置检测方式主要有光电编码盘、霍尔传感器、无感测量三种方式。由于四轴飞行器无刷直流电机要求系统结构简单、重量轻,因而采用无位置传感器的方式,利用第三相产生的感生电动势过零点时刻延迟30°换向。虽然该方法在电机启动时比较麻烦,可控性差,但由于电路简单、成本低,因而适合于在正常飞行过程中不需要频繁启动的四轴飞行器电机。

  由于无刷直流电机的两相导通模式,因而可以利用不导通的第三相检测反电势的大小。如图2反电势检测电路,中性点N 与单片机的AIN0 相接,Ain,Bin,Cin分别接单片机的ADC0,ADC1,ADC2.不停地比较中性点N电压与A,B,C三相三个端点电压的大小,以检测出每相感生电动势的过零点。ATMEGA16单片机模拟比较器的正向输入端为AIN0,负向输入端根据ADMUX寄存器的配置而选择 ADC0,ADC1,ADC2,从而利用了单片机自带的模拟比较器的复用功能。当A,B相通电期间,C相反电势与中性点N进行比较,类似的,就可以成功检测出各相的过零事件。

  电路图讲解

  图2 反电势检测电路

  电机的反电势检测出来后,就可以找到反电势的过零点,在反电势过零后延迟30°电角度进行换向操作。

  驱动电路采用三相六臂全桥电路,MOSFET 作为开关元件,利用ATmega 16 单片机作为控制芯片,反电势过零检测以及软件启动的控制方式,并延迟30°进行换向。正常启动后,单片机输出PWM 实现无刷直流电机转速调节。同时设计了电压、电流监测电路,保证系统安全,因而,该系统能够正常驱动无位置传感器无刷直流电机,并且能够应用于四轴飞行器。


型号 厂商 价格
EPCOS 爱普科斯 /
STM32F103RCT6 ST ¥461.23
STM32F103C8T6 ST ¥84
STM32F103VET6 ST ¥426.57
STM32F103RET6 ST ¥780.82
STM8S003F3P6 ST ¥10.62
STM32F103VCT6 ST ¥275.84
STM32F103CBT6 ST ¥130.66
STM32F030C8T6 ST ¥18.11
N76E003AT20 NUVOTON ¥9.67