让找料更便捷
电子元器件
采购信息平台
生意随身带
随时随地找货
一站式电子元器件
采购平台
半导体行业观察第一站
标签:
摘要: 电路图简介: 市售电热毯一般有高、低两个温度档。使用时,拨在高温档,入睡后总被热醒;拨在低温档,有时醒来会觉得热度不够。为此,笔者制作了这种电热毯温控器,它可以把电热毯的温度控制在一个适宜的范围内。
市售电热毯一般有高、低两个温度档。使用时,拨在高温档,入睡后总被热醒;拨在低温档,有时醒来会觉得热度不够。为此,笔者制作了这种电热毯温控器,它可以把电热毯的温度控制在一个适宜的范围内。
工作原理:电路如下图所示。图中IC为NE555时基电路;RP3为温度调节电位器,其滑动臂电位决定IC的触发电位V2和阈电位Vf,且V5=Vf=2Vz。220V交流电压经C1、R1限流降压,D1、D2整流,C2滤波,DW稳压后,获得9V左右的电压供IC用。室温下接通电源,因已调V2<Vz、V6<Vf,IC③脚为高电位,BCR被触发导通,电热丝通电发热,温度逐渐升高。热敏传感器BG1随温度的升高,其穿透电流Iceo增大,V2、V6升高。当V2≤Vz,V6≥Vf时,IC翻转,③脚变为低电位,BCR截止邮电局热丝停止发热,温度开始逐渐下降,BG1的Iceo随之逐渐减小,V2、V6降低。当V6≤Vf,V2≤Vz时,IC③脚回到高电位,BCR又被触发导通,电热丝又开始发热。实践证明,调节RP2使V2=1/2V6时,温差为零;而V2=V6时最大。

元件选择:BG1可选用3AX、3AG等PNP型锗管;BCR用400V以上小型塑封双向可控硅,其它元件可按图标选用。
制作要点:热敏传感器BG1可用耐温的细软线引出,并将其连同管脚接头装入一电容器铝壳内,注入导热硅脂,制成温度探头。使用时,把该探头放在适当部位即可。
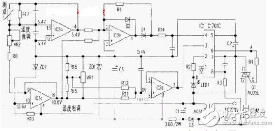
936 烙铁是一种可恒温、低电压、长寿命烙铁,具有可靠接地线,并与市电隔离,在修理各种含有贴片元件和集成电路的印制电路板时非常方便。
其控制电路由两部分组成,一路以IC2-3(运放)、VR、IC2-2(运放)组 成的可调基准电压电路;另一路以与加热丝L2(图中的Heater)绕在一起的温度传感电阻 丝RT、IC2-4、IC2-1 组成的温控电路。这两部分控制信号.分别输入至ICl(C1701C)③脚和 ④脚,经比较处理后从⑥脚输出触发控制双向可控硅Q1 的导通角,以调节L2(加热丝) 的加热功率来调温/恒温。
附:IC1(C1701C)引脚功能描述,IC2 是一个普通的四运放
1—基准电压输出(3.7-4.2V);2—比较放大器的输出端;3—比较放大器的反相输入端;4— 比较放大器的同向输入端; 5—电源(-8V)输入端; 6—脉冲输出端;7—GND;8—同步 信号输入端,工作电流40mA,同步信号电流5mA(RMS)。


| 型号 | 厂商 | 价格 |
|---|---|---|
| EPCOS | 爱普科斯 | / |
| STM32F103RCT6 | ST | ¥461.23 |
| STM32F103C8T6 | ST | ¥84 |
| STM32F103VET6 | ST | ¥426.57 |
| STM32F103RET6 | ST | ¥780.82 |
| STM8S003F3P6 | ST | ¥10.62 |
| STM32F103VCT6 | ST | ¥275.84 |
| STM32F103CBT6 | ST | ¥130.66 |
| STM32F030C8T6 | ST | ¥18.11 |
| N76E003AT20 | NUVOTON | ¥9.67 |