让找料更便捷
电子元器件
采购信息平台
生意随身带
随时随地找货
一站式电子元器件
采购平台
半导体行业观察第一站
标签:
摘要: 电路图简介: 本文主要介绍了8050三级管开关电路图大全(七款8050三级管开关电路设计原理图详解)。三极管8050是非常常见的NPN型晶体三极管,利用8050三极管工作理,当基极电压UB有一个微小的变化时,基极电流Ib也会随之有一小的变化,受基极电流Ib的控制,集电极电流Ic会有一个很大的变化,基极电流Ib越大,集电极电流Ic也越大,反之,基极电流越小,集电极电流也越小,即基极电流控制集电极电流的变化。
三极管8050是非常常见的NPN型晶体三极管,在各种放大电路中经常看到它,应用范围很广,主要用于高频放大。也可用作开关电路。


三极管8050是一种控制元件,主要用来控制电流的大小,有三个极,分别叫做集电极C、基极B、发射极E。以共发射极接法为例(信号从基极输入,从集电极输出,发射极接地),利用8050三极管工作理,当基极电压UB有一个微小的变化时,基极电流Ib也会随之有一小的变化,受基极电流Ib的控制,集电极电流Ic会有一个很大的变化,基极电流Ib越大,集电极电流Ic也越大,反之,基极电流越小,集电极电流也越小,即基极电流控制集电极电流的变化。
但是集电极电流的变化比基极电流的变化大得多,这就是三极管的放大作用。Ic的变化量与Ib变化量之比叫做三极管的放大倍数β(β=ΔIc/ΔIb,Δ表示变化量。),三极管的放大倍数β一般在几十到几百倍。三极管在放大信号时,首先要进入导通状态,即要先建立合适的静态工作点,也叫建立偏置,否则会放大失真。
在三极管8050的集电极与电源之间接一个电阻,可将电流放大转换成电压放大:当基极电压Ub升高时,Ib变大,Ic也变大,Ic在集电极电阻Rc的压降也越大,所以三极管集电极电压Uc会降低,且Ub越高,Uc就越低,ΔUc=ΔUb。对三极管放大作用的理解,切记一点:能量不会无缘无故的产生,所以,三极管一定不会产生能量,但三极管厉害的地方在于:它可以通过小电流控制大电流。

1、用NPN三极管做开关电路控制led的电路图:

2、一般控制LED,考虑到电压输入增高时电量充沛,令LED发光,输入电压低时节省电量。10K取样电位器可以任意调节需要控制的电压,所有电阻按电源电压高低作相应改变使电路正常工作。
3、留有输出端,供反向控制(输入高时、输出低)使用。

当单片机检测到有按键被按下后立即执行一个10毫秒的延时程序,然后再在检测该引脚是否仍然为闭合状态?如果仍然为闭合说明确认该键被按下立即执行相应的处理程序,否则可能是干扰,丢弃这次检测结果。
接下来我们再安装一个四位的拨码开关,就是图中红色的开关,它相当于四个装在一起的拨动开关,当开关拨到“ON”一侧时,对应的那路就会接通,反之断开。它在单片机中一般用于设置初始参数,而且不经常改变的场合。这里因为单片机引脚资源不够,所以我们只使用了拨码开关的第2、3、4位,第1位闲置。三个开关可以逻辑组合出8种状态,所以我们能够方便灵活地预置多达7种的倒计时时间。

最后我们来安装两个继电器和相关电路,有了继电器我们的实验板不再仅仅是做做实验而已,可以用于控制一些负载,比如说:充电器,洗衣机,电风扇等,使我们的实验板的实用功能大大增强,这也是电子制作实验室网站的单片机实验板和其他公司的产品不同的地方。
这里继电器由相应的S8050三极管来驱动,开机时,单片机初始化后的P2.3/P2.4为高电平,+5伏电源通过电阻使三极管导通,所以开机后继电器始终处于吸合状态,如果我们在程序中给单片机一条:CLR P2.3或者CLR P2.4的指令的话,相应三极管的基极就会被拉低到零伏左右,使相应的三极管截至,继电器就会断电释放,每个继电器都有一个常开转常闭的接点,便于在其他电路中使用,继电器线圈两端反相并联的二极管是起到吸收反向电动势的功能,保护相应的驱动三极管,这种继电器驱动方式硬件结构比较简单。
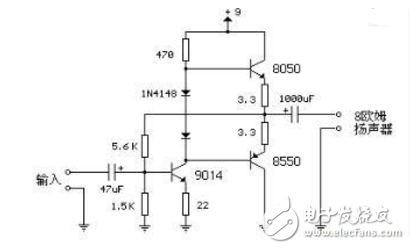
这里介绍一个根据8050与8550制作而成三极管小功放电路图,改变而成的三管音频放大器。
电路如图所示,输入极(9014)的基极工作电压等于两输出极三极管三极管的中点电压,一三极管般为电源电压的一半,这个电压的稳定由输出三极管三极管的基极的两个二极管二极管控制。3.3 欧姆电三极管二极管阻串联在输出三极管三极管的发射极上,以稳定偏流。以减小环境温度、不同器件(如二极管二极管、输三极管二极管出三极管)参数区别对电路的影响。当偏流增加时,输出三极管发射极与基极间电压会减小,以减小偏流。此电路输入阻抗为 500 欧姆,在使用 8 欧姆扬声器扬声器时,电压增益为 5。附图如下。

电路在不失真输出 50mW 的功率时,扬声器上有约 2V 左右的电压摆动。增加电源电扬声器压可提高输出功率,但此时应注意输出晶体管散热问题。在 9V 电源电压时,电路耗电约 30mA。制作时要注意两个输出功率管放大倍数应接近。其它器件参数可以参考图示选择。
由开关三极管VT,玩具电动机M,控制开关S,基极限流电阻器R和电源GB组成。VT采用NPN型小功率硅管8050,其集电极最大允许电流ICM可达1.5A,以满足电动机起动电流的要求。M选用工作电压为3V的小型直流电动机,对应电源GB亦为3V 。
VT基极限流电阻器R如何确定呢?根据三极管的电流分配作用,在基极输入一个较弱的电流IB,就可以控制集电极电流IC有较强的变化。假设VT电流放大系数hfe≈250,电动机起动时的集电极电流IC=1.5A,经过计算,为使三极管饱和导通所需的基极电流IB≥(1500mA/250)&TImes;2=12mA。在图1电路中,电动机空载时运转电流约为500mA,此时电源(用两节5号电池供电)电压降至2.4V,VT基极-发射极之间电压VBE≈0.9V。根据欧姆定律,VT基极限流电阻器的电阻值R=(2.4-0.9)V/12mA≈0.13kΩ。考虑到VT在IC较大时,hfe要减小,电阻值R还要小一些,实取100Ω。为使电动机更可靠地启动,R甚至可减少到51Ω。在调试电路时,接通控制开关S,电动机应能自行启动,测量VT集电极—发射极之间电压VCE≤0.35V,说明三极管已饱和导通,三极管开关电路工作正常,否则会使VT过热而损坏。

-电子元器件采购网(www。oneyac。com)是本土元器件目录分销商,采用“小批量、现货、样品”销售模式,致力于满足客户多型号、高质量、快 速交付的采购需求。自建高效智能仓储,拥有自营库存超50,000种,提供一站式正品现货采购、个性化解决方案、选项替代等多元 化服务。
电路原理:指示器并联在电话线路上,经过D1~D4极性变换,给电路提供电源。当电话线路无人使用时,电话线路电压为48V左右,48V电压加在电阻R3、R4上,R4获得的分压大于0.7V,三极管T2饱和导通,T2导通是三极管T1失去偏置电压,T1截止,LED不发光。说明此时可以使用电话通话。当有人在使用电话时,电话线路电压跌到9V左右,此时R4上分得的电压不足使T2导通,T1通过电阻R2或得偏置电压,T1导通,LED发光,指示有人正在使用电话,请暂时不要使用。

电路主要由捡音器(驻极体电容器话筒),晶体管放大器和发光二极管等构成。
静态时,VT1处于临界饱和状态,使VT2截止,LED1和LED2皆不发光,R1给电容话筒MIC提供偏置电流,话筒捡取室内环境中的声波信号后即转为相应的电信号,经电容C1送到VT1的基极进行放大,VT1、VT2组成两级直接耦合放大电路,只要选取合适的R2、R3使无声波信号。VT1处于临界饱和状态,而以使VT处于截止状态,两只LED中无电流流过而不发光,当MIC捡取声波信号后,就有音频信号注入VT1的基极,其信号的负半周使VT1退出饱和状态,VT1的集电极电压上升。VT2导通,LED1和LED2点亮发光,当输入音频信号较弱时,不足以使VT1退出饱和状态,LED1和LED2仍保持熄灭状态,只有较强信号输入时,以光二极管才点亮发光,所以,LED1和LED2能随着环境声音(如音乐、说话)信号的强弱起伏而闪烁发光。

图中,将两个电极改接在VT1下偏置,R1仍为上偏置电阻器。当杯内水面低于两个电极时,相当于下偏置开路,R1产生的偏置电流使电动机起动。当水位上升到淹没电极时,两个电极之间被水导通,将R1产生的偏置电流旁路一部分,使VT1~3截止,电动机停转,与图5控制效果恰好相反。

-电子元器件采购网(www。oneyac。com)是本土元器件目录分销商,采用“小批量、现货、样品”销售模式,致力于满足客户多型号、高质量、快 速交付的采购需求。自建高效智能仓储,拥有自营库存超50,000种,提供一站式正品现货采购、个性化解决方案、选项替代等多元 化服务。
| 型号 | 厂商 | 价格 |
|---|---|---|
| EPCOS | 爱普科斯 | / |
| STM32F103RCT6 | ST | ¥461.23 |
| STM32F103C8T6 | ST | ¥84 |
| STM32F103VET6 | ST | ¥426.57 |
| STM32F103RET6 | ST | ¥780.82 |
| STM8S003F3P6 | ST | ¥10.62 |
| STM32F103VCT6 | ST | ¥275.84 |
| STM32F103CBT6 | ST | ¥130.66 |
| STM32F030C8T6 | ST | ¥18.11 |
| N76E003AT20 | NUVOTON | ¥9.67 |