让找料更便捷
电子元器件
采购信息平台
生意随身带
随时随地找货
一站式电子元器件
采购平台
半导体行业观察第一站
标签:
摘要: 电路图简介: 555定时器是一种模拟和数字功能相结合的中规模集成器件,用双极型(TTL)工艺制作的称为 555,用互补金属氧化物(CMOS )工艺制作的称为 7555。555定时器能够产生的波形在一些家电、控制器、电子玩具等有一些应用。本文介绍555定时器的引脚图以及功能。
555定时器是一种模拟和数字功能相结合的中规模集成器件,用双极型(TTL)工艺制作的称为 555,用互补金属氧化物(CMOS )工艺制作的称为 7555。555定时器能够产生的波形在一些家电、控制器、电子玩具等有一些应用。本文介绍555定时器的引脚图以及功能。

555定时器引脚图及引脚描述:555定时器中有八个脚,每个脚的电压输入端都是不一样的,要用UCC来表示,今天就从这八个脚来了解一下555定时器引脚图吧。

1脚是接地的,2脚是作为触发的输入端口,3脚是作为输出的端口,能够在输出的状态能够得以控制,3脚的输出感受器上接到信号后,会使6脚和2脚得以控制。
当2脚的触发器感受到高于A1的输入,就会归置到复位的状态。其中这八个脚中,2脚和6脚是作为互补脚,2脚对低于电压具有平起的作用,对高雅没有任何的作用,在这个时候,3脚是处于高压的电平状态;6脚是一个阈值端口,对高压平起有作用,在低压平起状态完全不起任何作用。3脚的电压很是接近电源的电压,它的输出最大的电流能够达到200mA。

4脚是复位端口,不得低于零点四伏特,2脚和6脚在任何状态都会使3脚的输出会是低电平的状态。5脚是整个定时器的控制端口,7脚是定时器的放电的端口,和3脚是处于同步的状态,特别是它们所输出的电平是一样的,但是它们之间还是有不同的,那就是7脚是没有输出的电流,因此,3脚被我们规定成为是实高(低),而7脚被我们规定成为虚高(低)。

555定时器的功能表

将高触发端TH和低触发端TR连接在一起,上述的555功能表变为如下功能表。

555定时器引脚图就是一种集成电路,对555定时器的应用很是广泛:
1、555定时器应用到构成的施密特触发器上,特别是在TTL的系统接口上得以广泛应用,还有就是在整形的电路中被应用。
2、555定时器应用到构成谐振荡器,能够与组合信号结合,形成电路。
3、555定时器应用到构成的单稳态的触发器上,在一定程度上能够延时一些定时的开关等。
555定时器具有成本低,性能可靠的特点,常作为定时器广泛应用于仪器仪表、家用电器、电子测量及自动控制等方面。本文带来了为大家带来555脉冲信号发生器电路原理图、555简单的延时电路以及555电子门铃电路原理图。
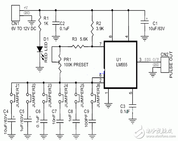
NE555脉冲发生器该信号发生器是一个基于NE555制作的。可用于实验用的信号源。电源电压为12V,最大工作电流为40mA,通过跳线设置可以输出1Hz-180KHz的频率范围。有电源指示灯。电路原理图如下图。

NE555脉冲信号发生器电路原理图

信号发生器跳线帽设置频率

元件清单

PCB图
| 型号 | 厂商 | 价格 |
|---|---|---|
| EPCOS | 爱普科斯 | / |
| STM32F103RCT6 | ST | ¥461.23 |
| STM32F103C8T6 | ST | ¥84 |
| STM32F103VET6 | ST | ¥426.57 |
| STM32F103RET6 | ST | ¥780.82 |
| STM8S003F3P6 | ST | ¥10.62 |
| STM32F103VCT6 | ST | ¥275.84 |
| STM32F103CBT6 | ST | ¥130.66 |
| STM32F030C8T6 | ST | ¥18.11 |
| N76E003AT20 | NUVOTON | ¥9.67 |