让找料更便捷
电子元器件
采购信息平台
生意随身带
随时随地找货
一站式电子元器件
采购平台
半导体行业观察第一站
标签:
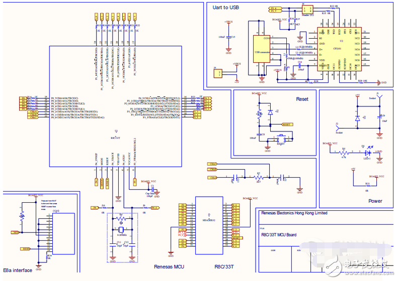
摘要: 电路图简介: 该触摸按键型遥控器基于瑞萨的R8C/33T触摸按键遥控板和触摸板完成。该触摸遥控器由4个通道组成的圆形触摸滚轮和12个触摸按键板组成。该触摸按键用于远程传输信号和LED灯显示,蜂鸣器输出信号。因此用户可以看得见触摸效果,也可以通过PC设置参数。
基于瑞萨触摸按键型遥控器概述:
该触摸按键型遥控器基于瑞萨的R8C/33T触摸按键遥控板和触摸板完成。该触摸遥控器由4个通道组成的圆形触摸滚轮和12个触摸按键板组成。该触摸按键用于远程传输信号和LED灯显示,蜂鸣器输出信号。因此用户可以看得见触摸效果,也可以通过PC设置参数。
基于瑞萨触摸按键型遥控器电路原理图由三部分组成:基于瑞萨的R8C/33T单片机的主控制板电路、触摸板电路、触摸板与主控制接口电路
系统结构框图如下:

瑞萨触摸按键型遥控器硬件组成:

具体框图如下:

触摸按键型遥控器电路原理图截图:


RC电路全称Resistance-Capacitance Circuits。一个 相移电路(RC电路)或称 RC滤波器、 RC网络, 是一个包含利用电压源、电流源驱使电阻器、电容器运作的电路。一个最简单的RC电路是由一个电容器和一个电阻器组成的,称为一阶RC电路。
所谓RC(Resistance-Capacitance Circuits)电路,就是电阻R和电容C组成的一种分压电路。如下图所示,输入电压加于RC串联电路两端,输出电压取自于电阻R或电容C。由于电容的特殊性质,对下图(a)和(b)不同的输出电压取法,呈现出不同的频率特性。由此RC电路在电子电路中作为信号的一种传输电路,根据需要的不同,在电路中实现了耦合、相移、滤波等功能,并且在阶跃电压作用下,还能实现波形的转换、产生等功能。

单纯RC并联不能谐振,因为电阻不储能,LC并联是可以的.RC并联电路如果串联在电路中有衰减低频信号的作用,如果并联在电路中有衰减高频信号的作用,也就是滤波的作用。
(1)RC 串联电路

电路的特点:由于有电容存在不能流过直流电流,电阻和电容都对电流存在阻碍作用,其总阻抗由电阻和容抗确定,总阻抗随频率变化而变化。RC 串联有一个转折频率: f0=1/2πR1C1 当输入信号频率大于 f0 时,整个 RC 串联电路总的阻抗基本不变了,其大小等于 R1。

RC 并联电路既可通过直流又可通过交流信号。它和 RC 串联电路有着同样的转折频率:f0=1/2πR1C1。 当输入信号频率小于f0时,信号相对电路为直流,电路的总阻抗等于 R1;当输入信号频率大于f0 时 C1 的容抗相对很小,总阻抗为电阻阻值并上电容容抗。当频率高到一定程度后总阻抗为 0。
(3)RC 串并联电路

RC 串并联电路存在两个转折频率f01 和 f02: f01=1/2πR2C1, f02=1/2πC1*[R1*R2/(R1+R2)] 当信号频率低于 f01 时,C1 相当于开路,该电路总阻抗为 R1+R2。当信号频率高于 f02 时,C1 相当于短路,此时电路总阻抗为 R1。当信号频率高于 f01 低于 f02 时,该电路总阻抗在 R1+R2 到R1之间变化。
| 型号 | 厂商 | 价格 |
|---|---|---|
| EPCOS | 爱普科斯 | / |
| STM32F103RCT6 | ST | ¥461.23 |
| STM32F103C8T6 | ST | ¥84 |
| STM32F103VET6 | ST | ¥426.57 |
| STM32F103RET6 | ST | ¥780.82 |
| STM8S003F3P6 | ST | ¥10.62 |
| STM32F103VCT6 | ST | ¥275.84 |
| STM32F103CBT6 | ST | ¥130.66 |
| STM32F030C8T6 | ST | ¥18.11 |
| N76E003AT20 | NUVOTON | ¥9.67 |