让找料更便捷
电子元器件
采购信息平台
生意随身带
随时随地找货
一站式电子元器件
采购平台
半导体行业观察第一站
标签:
摘要: 这里介绍的声光双控延迟节电照明灯可以直接取代普通照明开关而不必更改原有照明线路,白天或光线较强的场合即使有较大的声响也能控制灯泡不亮,晚上或光线较暗时遇到声响(如说话声、脚步声等)后灯自动点亮,经约30多秒(时间可设定)自动熄灭。
这里介绍的声光双控延迟节电照明灯可以直接取代普通照明开关而不必更改原有照明线路,白天或光线较强的场合即使有较大的声响也能控制灯泡不亮,晚上或光线较暗时遇到声响(如说话声、脚步声等)后灯自动点亮,经约30多秒(时间可设定)自动熄灭。适用于楼梯,走廊等只需短时照明的地方。
电路工作原理
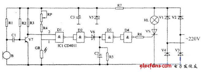
电路如下图所示,印制板。

二极管Vl.V4组成桥式整流电路将市电变成脉动直流,再经R7限流,V5稳压,C3滤波输出8V直流电,为集成块CD4011及三极管V7提供电源。
白天光线射到光敏电阻GR上时,其阻值变得很小,使与非门D1输入端的1脚为低电平,输出被锁定为高电平,与2脚的输入电平高低无关,所以电路封锁了声音通道,使声音脉冲不能通过,即灯泡亮灭不受声音控制。这时,门D1输出的高电平经过门D2,D3,D4三次反相后成低电平,晶闸管VS无触发信号不导通,灯不亮。
夜间,GR因无光线照射呈高阻,使与非门D1的输入端1脚变成高电平,门D1的输出状态受2脚输入电平的控制,这为声音通道开通创造了条件。2脚低电平时门D1输出高电平.2脚高电平时门D1输出低电平。
没有声音信号时,三极管V7工作在饱和状态.2脚为低电平。当楼梯有人走动或有人谈话时,话筒B拾取了声音信号经V7放大,三极管V7由饱和进入放大状态,V7的集电极由低电平转变成高电平并送至门D1的2脚,门Dl输出低电平,经门D2反相输出高电平对电容C2充电,因充电时间常数很小,很快成高电平经门D3、D4二级反相输出高电平,通过R6触发VS导通,电灯H点亮。声音消失后,门D2输出低电平,因V6的阻断作用,电容C2只能通过R5缓慢放电,门D3的输入仍保持高电平,门D4的输出也保持高电平,灯H维持发亮。经过一段时间,当电容C2两端电压下降到低电平时,门D4输出变为低电平,VS无触发信号而关断,灯H自动熄灭。
该电路的延迟时间即灯每次点亮的时间,主要由电阻R5与电容C2的放电时间常数决定,当R5为1.5M,C2为22μF时约30多秒,增减R5或C2的数值,可以调整电路的延迟时间。
元器件选择与制作
与非门D1—D4可用一块2输入端四与非门CD4011数字集成电路。整流二极管V1—V4可用1N4007型普通硅整流二极管.V5选2CW56型8V稳压二极管,V6可用1N4148型普通硅开关二极管,V7可用9013型等硅NPN三极管。VS为MCR100-8型等小型塑封单向晶闸管。B为CR22-113F型驻极体电容话筒。GR为MG45型光敏电阻器,其余电阻均用RTX-1/8W型碳膜电阻器,其中R122k、R22.2M、R333k、R44.7k、R51.5M、R65.1Q、R7240k、RP取W106-2-2型100k玻璃釉预调电位器。C1用CT1型瓷介电容器,C2、C3用电解电容,且C1取0.1μF、C2取22UF/16V、C3取100UF/16V。
安装中注意C2、C3及话筒B的极性,话筒的外壳与负极相接。因印制板上带有市电,通电调试应将印制板安装于绝缘盒内,并注意安全。让光敏电阻对准透光部位,BM对准拾音孔。可以根据需要更改R5或C2的数值,选择合适的延迟时间。调整Rl的阻值或三极管V的放大倍数,可以调节声控灵敏度的高低。调整RP的值可以改变光控灵敏度。以上调整均相互独立,互不牵连。本电路适用于100W或100W以下的白炽灯控制。

-电子元器件采购网(www、oneyac、com)是本土元器件目录分销商,采用“小批量、现货、样品”销售模式,致力于满足客户多型号、高质量、快 速交付的采购需求。自建高效智能仓储,拥有自营库存超50,000种,提供一站式正品现货采购、个性化解决方案、选项替代等多元 化服务。
下图是由红热释电红外传感器、光敏电阻、BISS0001组成的信号检测及处理电路。红热释电红外传感器只对波长为10μm(人体辐射红外线波长)左右的红外辐射敏感,所以除人体以外的其他物体不会引发探头动作。探头内包含两个互相串联或并联的热释电元,而且制成的两个电极化方向正好相反,环境背景辐射对两个热释元件几乎具有相同的作用,使其产生释电效应相互抵消,于是探测器无信号输出。一旦人侵入探测区域内,人体红外辐射通过部分镜面聚焦,并被热释电元接收,但是两片热释电元接收到的热量不同,热释电也不同,不能抵消,于是输出检测信号。 BISS0001是由运算放大器、电压比较器、状态控制器、延迟时间定时器以及封锁时间定时器等构成的数模混合专用集成电路。当外界光强较强时,光敏电阻阻值很小,BISS0001检测到低电平,从而封锁14脚,禁止传感器infare1的信号。当外界光强较弱时,光敏电阻阻值很大,BISS0001检测到低电平,开启14脚;infare1检测到人体信号时,产生微弱的信号输出,经R5、R1005、R4、C1、C6、C7组成的信号放大滤波电路。R1000、R1001、C1000和C1001组成的延时电路。信号经处理后从2脚输出。
-电子元器件采购网(www、oneyac、com)是本土元器件目录分销商,采用“小批量、现货、样品”销售模式,致力于满足客户多型号、高质量、快 速交付的采购需求。自建高效智能仓储,拥有自营库存超50,000种,提供一站式正品现货采购、个性化解决方案、选项替代等多元 化服务。
| 型号 | 厂商 | 价格 |
|---|---|---|
| EPCOS | 爱普科斯 | / |
| STM32F103RCT6 | ST | ¥461.23 |
| STM32F103C8T6 | ST | ¥84 |
| STM32F103VET6 | ST | ¥426.57 |
| STM32F103RET6 | ST | ¥780.82 |
| STM8S003F3P6 | ST | ¥10.62 |
| STM32F103VCT6 | ST | ¥275.84 |
| STM32F103CBT6 | ST | ¥130.66 |
| STM32F030C8T6 | ST | ¥18.11 |
| N76E003AT20 | NUVOTON | ¥9.67 |