让找料更便捷
电子元器件
采购信息平台
生意随身带
随时随地找货
一站式电子元器件
采购平台
半导体行业观察第一站
标签:
摘要: 为了根据人们预先设定的时间控制电路工作及对一些电器进行电力调节,制作了这款实用多功能定时器。本定时器的特点:1.控制功率大(5KW);2.一天有10组自动开、关动作;3.控制时间准确,每天误差小于1分钟;4.控制功率可分可调和固定。
为了根据人们预先设定的时间控制电路工作及对一些电器进行电力调节,制作了这款实用多功能定时器。本定时器的特点:1.控制功率大(5KW);2.一天有10组自动开、关动作;3.控制时间准确,每天误差小于1分钟;4.控制功率可分可调和固定。如,可用普通电饭锅自动实现煮饭或煮粥。
一、电路组成
实用多功能定时器,由CD-66多功能可编程定时模块及微型开关、555多谐振荡电路、继电器(J1为电磁电器24V30A、J2为固态继电器40A3-32V)、电源电路等组成。
二、工作原理
电路如附图所示。以控制电饭煲为例,当K1闭合220V电源接通时,红灯亮,表示电路开始工作,煮粥可通过开关K2来实现。当CD-66定时时间到后,⑨脚输出高电平,三极管9013导通、三极管8050也导通,继电器Jl动作,绿色的发光二极管亮,插座C21得电,电饭煲通电开始煮饭,即第一种状态开始工作;当开关K2接通后、555电路也开始工作,同时在Jl接通的情况下,黄色发光二极管闪动,这时555组成的多谐振荡器和CD-66-起作用.CD-66为控制煮粥时间,而555组成的多谐振荡器可以通过调节RP来改变煮粥火力。这样我们就可以煮出可口的粥,也就是第二种火力可调的工作状态。
1。CD-66多功能可编程定时模块
(1)、主要功能:
可设定10组定时开、关时间,一周内实现1~140次定时接通电源和定时断开电源控制。
(2)7个按键名称如下:
①CLOCK-时钟键,配合“WEEK、HOUR、MIN”可调校星期、小时、分钟:
②WEEK-校星期键;
③HOUR-校时键;
④MIN-校分键;
⑤PROG-“定时”(程序编组)键;
⑥AUTO/OFF——“手动/自动”(输出状态选择)键,处在ON时一直接通,处在OFF时,一直断开。此二种状态下定时设定不起作用,只有处在AUTO时,才起定时自动控制。调节顺序为ON→AUTO→OFF→AUTO……;⑦RST/RCL——“取消/恢复”键。
可对某组时间设定取消和重新恢复作用。
(3)作定时器使用:
见附图所示:作定时器使用时,连接背面B-D、C-D焊片.CD-66定时模块的⑧脚输出高电平,经三极管驱动继电器。②脚为电池节电控制端,最高端口线电压低于芯片电源电压。在外部掉电时(即原理图中无24V电源时).②脚为低电平时,芯片将自动关闭(11)脚的驱动输出,从而降低供电电池的能量消耗,延长电池的使用时间。若无需自动节电控制时须将②脚接高电平,即与芯片的正电源相接,可以定时控制霓虹灯、广告灯箱、路灯、养殖业的自动给水、进料机、机床及各种节电柜、配电箱的自动控制等。在家庭中可以定时开灯、关灯,定时打开和关闭电视机、空调,从而使你的家庭提前进入智能化控制。该芯片可实现10组设定,按动“定时(PROG)键,依次出现:1(开)→2(开)→…10(开)→10(关)→时钟→1(开)或1(ON)→(OFF)→2(ON)…10(ON)→10
(OFF)→CLOCK→1(ON)定时组循环。每天又可以设定为一周内每天动作都相同,或每天动作都不相同,按动“校星期”键(WEEK),液晶显示屏上方出现星期符号。用户根据需要进行星期选择。星期循环如下:一、二、三、四、五、六、日→一→二→三→四→五→六→日→一、三、五→二、四、六→六、日→、二、三→四、五、六→一、二、三、四、五→、二、三、四、五、

定时时间设定方法:先按“定时”键,设定某组“开”(ON)的时间或设定状态,屏幕上会显示相应的星期符号,用“校时”和“校分”键设定“时”和“分”;再按一下“定时”键,使开关进入该组“关”(即OFF)时间设置状态,重复上述操作设定关的时间。如果不需要10组,其余的几组用“取消/恢复”键取消掉,使屏幕出现“——”:“——”。按动“时钟”(CLOCK)键或者30秒内未按任何键,恢复标准时间显示。
2、555构成的占空比可调的多谐振荡器
(1)、主要性能指标
①工作电压:+5V——+16V;
②振荡周期为T=0.69(R10+R11+Rp)&TImes;C6
③静态耗电流:≤5mA;
④控制口输出=12V(高电平)
⑤最大输出电流:lomex=200mA;
⑥最高频率:FMax=300kHz
⑦输出上升时间:t≤150ns
(2)工作原理
555组成的占空比可调的多谐振荡器该电路主要是控制固态继电器的工作。通过固态继电器就可以带动负载工作。给555的⑧脚加上一个12V的电压,使555处于工作状态,当⑥脚>2/3VCC时,③脚输出为低电平,这时,固态继电器就得电,常开触点吸合,固态继电器动作;

-电子元器件采购网(www、oneyac、com)是本土元器件目录分销商,采用“小批量、现货、样品”销售模式,致力于满足客户多型号、高质量、快 速交付的采购需求。自建高效智能仓储,拥有自营库存超50,000种,提供一站式正品现货采购、个性化解决方案、选项替代等多元 化服务。
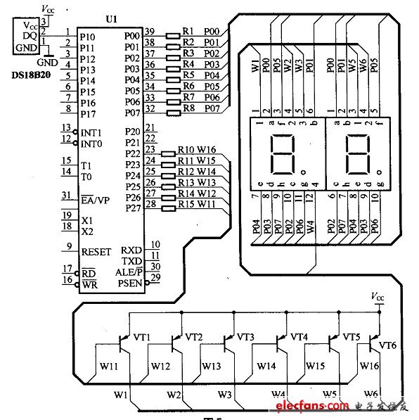
下图是基于单片机和温度传感器DS18B20的温度计的电路原理图
-电子元器件采购网(www、oneyac、com)是本土元器件目录分销商,采用“小批量、现货、样品”销售模式,致力于满足客户多型号、高质量、快 速交付的采购需求。自建高效智能仓储,拥有自营库存超50,000种,提供一站式正品现货采购、个性化解决方案、选项替代等多元 化服务。
| 型号 | 厂商 | 价格 |
|---|---|---|
| EPCOS | 爱普科斯 | / |
| STM32F103RCT6 | ST | ¥461.23 |
| STM32F103C8T6 | ST | ¥84 |
| STM32F103VET6 | ST | ¥426.57 |
| STM32F103RET6 | ST | ¥780.82 |
| STM8S003F3P6 | ST | ¥10.62 |
| STM32F103VCT6 | ST | ¥275.84 |
| STM32F103CBT6 | ST | ¥130.66 |
| STM32F030C8T6 | ST | ¥18.11 |
| N76E003AT20 | NUVOTON | ¥9.67 |